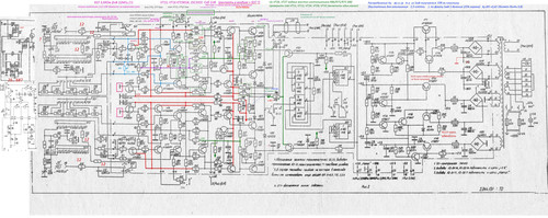
С1 118А анализ пред УВО (попробовать увеличить частоту)
Guest

С1 118А анализ пред УВО (попробовать увеличить частоту)

58 views
0
Edit or resize any image by clicking the image preview
Edit any image by touching the image preview
You can add more images from your computer or add image URLs.
You can add more images from your device, take a picture or add image URLs.
Uploading 0 image (0% complete)
The queue is being uploaded, it should take just a few seconds to complete.
Upload complete
Uploaded content added to . You can create a new album with the content just uploaded.
Uploaded content added to .
You can create a new album with the content just uploaded. You must create an account or sign in to save this content into your account.
No image have been uploaded
Some errors have occured and the system couldn't process your request.
    or cancelcancel remaining
    Note: Some images couldn't be uploaded. learn more
    Check the error report for more information.
    JPG PNG BMP GIF WEBP 64 MB